技術參數

溫室剖面圖


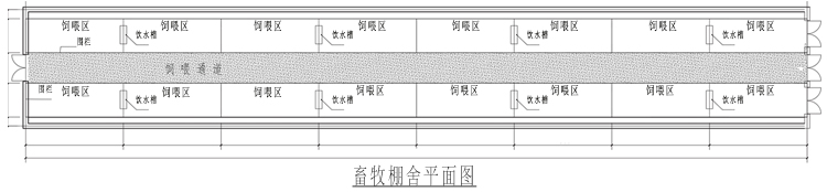
水蓄熱陽光畜牧棚舍配套設備包括:棚舍主體、骨架系統、外覆蓋系統、放風系統、內保溫系統、內膜系統、新型蓄熱裝置等。
溫室效果圖

水蓄熱陽光畜牧棚舍具有以下特點:
1、該棚舍由全鋼骨架、雙膜單被、護欄等裝配而成,結構輕便,采光角度合理,實現了通風和卷簾的自動控制。具有采光和保溫性能好、承載力強、內部可利用空間更充分等特點。
2、該棚舍與傳統畜牧棚舍相比,降低了養殖飼料消耗,提高了飼料轉化率和羔羊越冬成活率,促進了冬季增重。
3、新型陽光畜牧棚舍配套蓄熱式水箱,牛羊可以喝上溫度適宜的飲用水,維持健康的瘤胃內環境,提高飼料利用率。蓄熱水箱能高效的吸收和釋放熱量,提高棚舍的蓄熱能力。
4、新型陽光畜牧棚舍能夠及時、有效的調節棚舍內有害氣體濃度和空氣溫濕度。
5、新型陽光畜牧棚舍具有安裝快、結構穩、易拆裝、能轉運的優勢,適合北方高寒地區使用,具有良好的推廣應用價值。
6、新型陽光畜牧棚舍適應北方高寒地區的大風、大雪環境,有很強的防災減災優勢。
7、棚舍設計內保溫系統,在外膜與內置保溫被(膜)之間形成0.4m-1m的空氣隔熱層,有效降低熱量傳遞,提高保溫效果。
8、增加的內膜系統還鞏固了棚舍整體的密封性,為棚舍有效溫度的保持能力提供了更多保障。
9、內置的保溫被不受雨雪風和太陽直射的影響,使用壽命長。
10、棚舍內部可以通過開合內保溫被進行遮陰和防露。
11、該成果獲得授權發明專利2項、實用新型專利10項,在溫室水箱墻體被動蓄熱方面有明顯創新。
12、該成果擁有自主知識產權,總體技術達到國內先進水平。

